工事のはじめに鎮め物を納めました。工事が進むと見えなくなりますが、住まいづくりの節目として丁寧に行いました。

それでは基礎工事の様子をご紹介します。家の強さや耐久性を左右するとても重要な工程です。
まずは地盤を整え、防湿シートを敷き、鉄筋を組んでいきます。
この鉄筋が、コンクリートの強度を高め、建物をしっかり支える役割を担います。
配筋が完了すると、第三者機関による検査を実施。
図面通りに施工されているか、間隔や固定状態まで細かく確認されます。


その後、生コンクリートを流し込みます。
「生コン」は、まだ固まっていない状態の生コンクリートのこと。
ミキサー車で運ばれてきた生コンをポンプ車で流し込み、職人の手作業で少しずつ基礎の形が仕上がっていきます。

コンクリートがしっかり固まるのを1週間ほど待ちます。
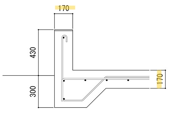
ここでデザインハウスのこだわりポイントをご紹介しましょう。
『基礎コンクリートの厚さと立ち上がり幅170㎜』
次の図をご覧ください。

一般的な会社は、厚さや立ち上がり幅120㎜~150㎜が多いのですが、弊社では全棟が厚さや立ち上がり幅なんと170㎜。鉄筋にコンクリートがどれだけ被っているかが基礎の耐久性に大きく関係する点と、かぶり不足を防止する点で、二重の安心感があります。

型枠を外し建物の輪郭がはっきりと見えてきました!
完成すると見えなくなる部分だからこそ、ひとつひとつの工程を大切に丁寧に施工しています。



